业务对接:18124620466
技术支持:18038149909
地址:深圳市龙华区观澜街道库坑社区同富裕工业区28号华朗嘉工业园1栋6楼
电话:0755-23706799
传真:0755-23707879 转 8888
业务对接:18038149909(王工)
业务对接:18124620466(杨工)
技术支持:13322980502(黄工)
QQ:2892704619
邮件:hxp@jentech.cn
阿里巴巴店铺:https://jentech.1688.com
sanyo山洋轴流风扇9GA0412P7G001产品详情说明:
1)关于商品价格说明:
由于sanyo轴流风扇 9GA0412P7G001产品属于工业行业应用供应链的散热组件,由于货物数量、交付方式和周期(现货、在途现货或期货)的不同,会导致价格差异较大,下单请与客服人员详细确认您所订购的产品详情!产品价格为单个商品的指导零售价,仅供参考。
2)商品参数描述说明:
由于散热风扇产品同样外观尺寸的产品在产品参数性能上差异较大,我们可以根据您的性能需求来定制散热风扇,包括组件线长、接线端子等。
产品参数:
电压类型:sanyo轴流风扇9GA0412P7G001的电压类型为直流(DC)
额定电压:12 V
额定电流:0.17 A
额定功率:2.04 W
风扇转速:13100 R.P.M
最大风量:0.36 m³/Min 【12.7 CFM】
最大风压:192 Pa 【0.77 inchH₂O】
声学噪声级别: 42 dB(A)
山洋轴流风扇9GA0412P7G001产品P&Q曲线:
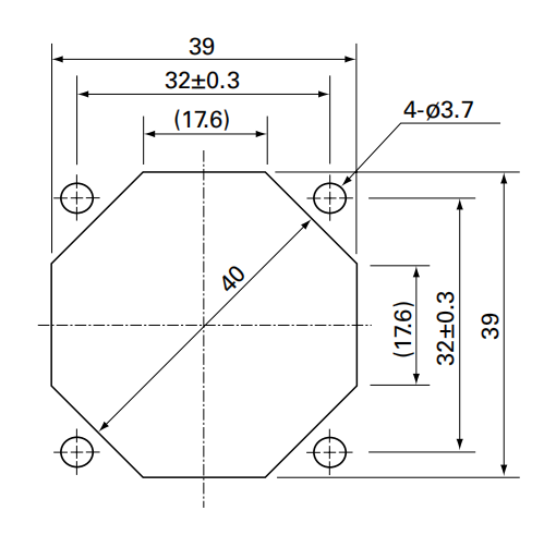
山洋轴流风扇9GA0412P7G001产品尺寸图:
sanyo轴流风扇 40 9GA系列:
服务承诺
我们将秉承“诚信、感恩、严谨、精进”的服务原则,为您提供专业、高效的服务。
关于产品:承诺在产品的细节和各位面上把控到位,满足客户的一切需求,做好品质保证。
关于咨询:我们将提供全方位专业的产品咨询,您可以联系我们的客服了解商品的各项详细内容。关于现货或购买问题确保在2小时内给到您答复;关于应用方案咨询,我们确保在4小时内能给到您一个初步解决方案。
关于售后:如果发现由于我司方面的责任引起的sanyo山洋轴流风扇9GA0412P7G001产品问题,我司在接到通知后,保证在2小时内作出答复,秉着解决问题的原则,我们会全力配合客户做好散热方案的改进。