台湾奇鋐AVC轴流风扇DYPA0838B8UP001产品详情说明:
1)关于商品价格说明:
由于AVC轴流风扇 DYPA0838产品属于工业行业应用供应链的散热组件,由于货物数量、交付方式和周期(现货、在途现货或期货)的不同,会导致价格差异较大,下单请与客服人员详细确认您所订购的产品详情!产品价格为单个商品的指导零售价,仅供参考。
2)商品参数描述说明:
由于散热风扇产品同样外观尺寸的产品在产品参数性能上差异较大,我们可以根据您的性能需求来定制散热风扇,包括组件线长、接线端子等。
产品参数:
电压类型:AVC轴流风扇DYPA0838B8UP001的电压类型为直流(DC)
额定电压:48V
承载电压:36.0~75.0V
额定电流:0.70A(最大电流0.84A) 峰值电流(0.90A) 启动峰值电流(1.50A Max)
额定功率:33.6W(最大功率40.32W)
风扇转速:标准转速9500±10%R.P.M
转速控制类型:PMW脉冲宽度调制控制
信号输出:FG
最大风量:3.520(3.168 MIN) m³/Min 【124.29(111.86 MIN)CFM】
最大风压:45.64(36.97 MIN) mmH₂O【1.797(1.456 MIN)inchH₂O】
声学噪声级别: 61.0(64.0 Max)dB(A)
轴流风扇DYPA0838B8UP001产品P&Q曲线:
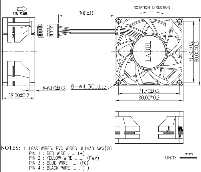
轴流风扇DYPA0838B8UP001产品尺寸图:

服务承诺
我们将秉承“诚信、感恩、严谨、精进”的服务原则,为您提供专业、高效的服务。
关于产品:承诺在产品的细节和各位面上把控到位,满足客户的一切需求,做好品质保证。
关于咨询:我们将提供全方位专业的产品咨询,您可以联系我们的客服了解商品的各项详细内容。关于现货或购买问题确保在2小时内给到您答复;关于应用方案咨询,我们确保在4小时内能给到您一个初步解决方案。
关于售后:如果发现由于我司方面的责任引起的AVC轴流风扇DYPA0838产品问题,我司在接到通知后,保证在2小时内作出答复,秉着解决问题的原则,我们会全力配合客户做好散热方案的改进。