联系我们
DC轴流风扇

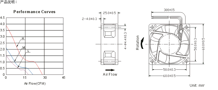
6025健策DC轴流散热风扇

更新:2017/1/13 16:51:04      点击:
  • 品牌:   JIANTECH
  • 型号:   JC6025
  • 在线订购
产品介绍
更多产品